Products
GB Flange Gate Valve
  • GB Flange Gate ValveGB Flange Gate Valve

GB Flange Gate Valve

Bolaisi is a trustworthy manufacturer that makes sturdy GB Flange Gate Valves with low fluid resistance and reliable hard sealing. This valve is used for pipeline on-off control only, not flow regulation. As a responsible supplier, it provides various actuation choices, and you can cooperate with this manufacturer for valves fit for industrial and municipal use.

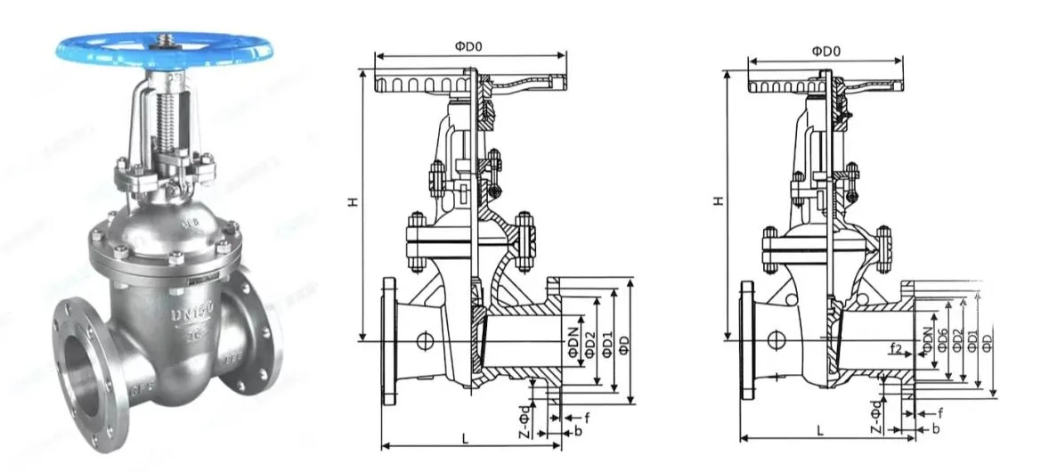
The GB Flange Gate Valve is a core industrial shut-off valve with national standard flange connection, which adopts a gate-type closing member to realize full opening and full closing of pipeline media. As a mainstream on-off control valve in industrial fluid transmission systems, it is strictly designed for full-bore full-open/full-close operation, and is not suitable for flow regulation or throttling conditions.

It features a straight-through flow channel with extremely low fluid resistance, stable operation under medium and high pressure, medium and high temperature working conditions, and has the core advantages of simple structure, convenient installation and maintenance, and reliable bidirectional circulation and sealing performance. The valve consists of core components including valve body, valve bonnet, gate, valve stem, valve stem nut, stuffing box, packing, gland, yoke, and handwheel/actuator. With excellent adaptability to complex working conditions and various media, the GB Flange Gate Valve is widely used in petroleum, chemical, electric power, municipal engineering and other key industrial fields.


Product Specifications

Item

Specification

Brand

Bolaisi

Model

Z41W/Y-10P/16P/25P/40P/64P

Body Material

Stainless Steel

Nominal Diameter

DN15 ~ DN1000

Sealing Type

Hard Seal

End Connection

National Standard Flange Connection

Flow Direction

Bidirectional

Compatible Media

Water, Oil Products, Steam, etc.

Structure Type

Straight-through Type

Operating Pressure

Atmospheric Pressure

Primary Function

Pipeline On-off Control (Full Open/Full Close Only)

Max. Operating Temperature

≤200℃ / ≤250℃

Standard Actuation

Manual Handwheel (Worm Gear, Pneumatic, Electric Actuator Optional)


Working Principle

The working principle of the GB Flange Gate Valve relies on the vertical lifting movement of the gate driven by the valve stem to realize the opening and closing of the pipeline, with detailed operation logic as follows:

Opening Process

Rotating the handwheel drives the valve stem nut to rotate, which converts rotary motion into linear lifting motion, making the valve stem drive the gate to rise vertically. When the gate is fully lifted to the position completely separated from the valve seat sealing surface, the flow channel is fully unobstructed, and the valve is in the fully open state, realizing unimpeded medium circulation with minimal pressure loss.

Closing Process

Rotating the handwheel in the reverse direction drives the valve stem to lower the gate vertically. When the gate falls to the position where it is fully fitted with the valve seat sealing surface, the medium flow channel is completely blocked. The pipeline medium pressure can assist in pressing the gate tightly against the valve seat, forming a reliable hard seal to effectively prevent medium leakage, and the valve is in the fully closed state.


Application Standards

Main Application Scenarios

● Industrial Sector: Petroleum, chemical engineering, electric power, metallurgy, natural gas transmission, for on-off control of steam, oil products, acid and alkali media, gas and other industrial fluids.

● Municipal & Civil Sector: Urban water supply, sewage treatment, heating, ventilation and air conditioning (HVAC) systems, for reliable cut-off of water flow or steam.

● Special Working Conditions: High temperature and high pressure pipelines, pipelines with particle-containing media, strong corrosive media, long-distance transmission pipelines, etc.

GB Flange Gate ValveGB Flange Gate ValveGB Flange Gate Valve



Hot Tags: GB Flange Gate Valve, Manufacturer, Supplier, Factory
Send Inquiry
Contact Info
For inquiries about our products or pricelist, please leave your email to us and we will be in touch within 24 hours.
X
We use cookies to offer you a better browsing experience, analyze site traffic and personalize content. By using this site, you agree to our use of cookies. Privacy Policy
Reject Accept